Logo HPI It's all about TRUST & EXCELLENCE

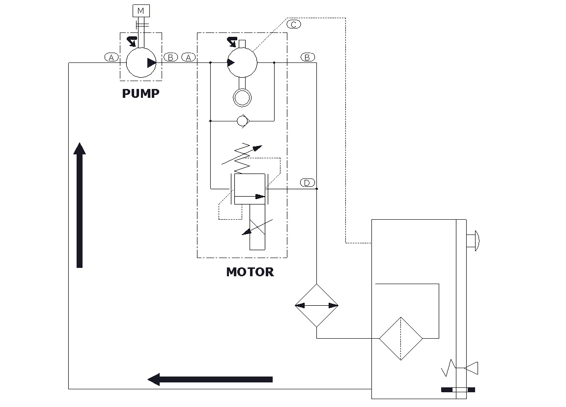
HPI propose un ensemble de solutions adaptées à la régulation de vitesse pour les moteurs hydraulique entraînant des hélices de ventilateurs : Hydraulic Motor Control (HMC).

Une fonctionnalité exclusive HPI !

 

HMC JTEKT HPI

 

Fonction :

  • Régulation de vitesse

Avantages principaux:

  • Différents paramétrages de régulation (CAN BUS INFORMATION)
  • Economie de carburant
  • Réduction du niveau sonore
  • Solution compacte et légère
  • Coûts réduits par rapport à d’autres solutions hydrauliques
  • Normes EURO 6 & TIER 4
  • Système complet avec ventilateur intégré possible

Options :

  • Arrêt total de l’hélice
  • Sens inversé
  • Régulation de température
  • MBMS®

116038-1

 

Contrôleur simple/double/quadruple

 

 

 

Applications :

  • Bus
  • Agriculture
  • Travaux publics
  • Matériel de voirie
  • Manutention

 

 

 

 

Visuel Configuration

Configurez votre produit

Accédez aux configurateurs
Visuel Catalogue

Notre catalogue technique

Téléchargez

Trouvez votre distributeur